Kód předmětu:                                              BH04

Název předmětu:                                          Pozemní stavitelství II (E)

Rozsah předmětu a způsob ukončení:   z/zk-2/2

Počet kreditů:                                                  5

Semestr:                                                          zimní 2009/20010

Koordinátor:                                                   Ing. Věra Maceková, CSc.

 

 

 

Harmonogram – cvičení:

 

1.                  Půdorys podzemního podlaží bytového (rodinného) domu.              M 1:50

2.-4.     Schodiště: zásady zakreslování, návrh ( 4-6 podlažní objekt).

Výkres: 4 půdorysy schodišťového prostoru, příčný řez celým objektem, bez střechy, základy a výkopy budou doplněny ve 12. týdnu                                     M 1:50

.

  Detaily schodišť (kovové, dřevěné, žb. montované, žb .monolitické – v návaznosti na stropní konstrukci z I. roč.). Každý student zpracuje ve dvou variantách (jedna vždy železobetonová) dva detaily – nástupní a ukončující stupeň v rameni, včetně pohledu na další rameno a kotvení zábradlí.                                                              M 1:10

5.-6.     Plošné základy bytového domu: návrh a výpočet, půdorys, řez                    M 1:50

7.                  Výkopy bytového domu: půdorys a řez                                                        M 1:50

8.                  Studie monolitického skeletu (část půdorysu stropní konstrukce 3x2 pole): výkres tvaru                                                                                                               M 1:100 

Svislý řez (4-6 podlaží), včetně obvodového pláště (předsazený, zapuštěný, polozapuštěný nebo zavěšený)                                                             M 1:100

9.                  Monolitický železobetonový skelet: návrh a výpočet základových patek, půdorys a řez   základů,                                                                                                 M 1:50

10.              Monolitický železobetonový skelet: půdorys a řez výkopů                               M 1:50

11.              Půdorys jednoplášťové střechy skeletové konstrukce                          M 1:50

12.              Dokončení výkresů. Do příčného řezu schodištěm a do řezu skeletem doplnit základy a výkopy!

13.              Zápočet.

 

 

Provedení výkresů :

v některém kreslícím programu nebo kresleno tužkou na kladívkový papír (tuší na pauzovací papír).

Odevzdání výkresů vždy v obálce,  formát A2 (A4).

 

Literatura

 

Matoušková,D. Pozemní stavitelství I., VUT Brno, 1993,

Matoušková,D. Pozemní stavitelství II.,VUT Brno, 1995,

Matoušková,D.,Solař,J. Pozemní stavitelství I., VŠB Ostrava 2005,

Maceková,V.,Vlček,M. Zakládání staveb, ERA Brno 2004,2006

Maceková,V a kol. Pozemní stavitelství II, M01, 02, 03, CERM, Brno, 2007

Maceková,V a kol. Pozemní stavitelství II, M01, 02, 03, intranet VUT FAST

Fajkoš,A. Ploché střechy, CERM Brno 2002,

Matějka,L. Studijní opory pro kombinované studium, BH05-Šikmé a strmé střechy, Brno 2005

ČSN 73 4301 Obytné budovy, 2004

Zakreslování:

Klimešová, J. Studijní opory  M01- Nauka o pozemních stavbách, Brno 2005, i na intranetu

ČSN 01 3420 Výkresy pozemních staveb-Kreslení výkresů stavební části, 2004

 

 

 

Září 2009

ZADÁNÍ

 

1-3 A-E

4-6 A-E

7-12 A,B

 

 

Vzorce pro předběžný návrh velikosti prvků skeletu

Pro zakreslení použijte normu ČSN 01 3481 VÝKRESY BETONOVÝCH KONSTRUKCÍ schválenou 14.9.1987. Výkresy tvaru monolitických konstrukcí jsou na stranách 6 - 8.

 

 

 

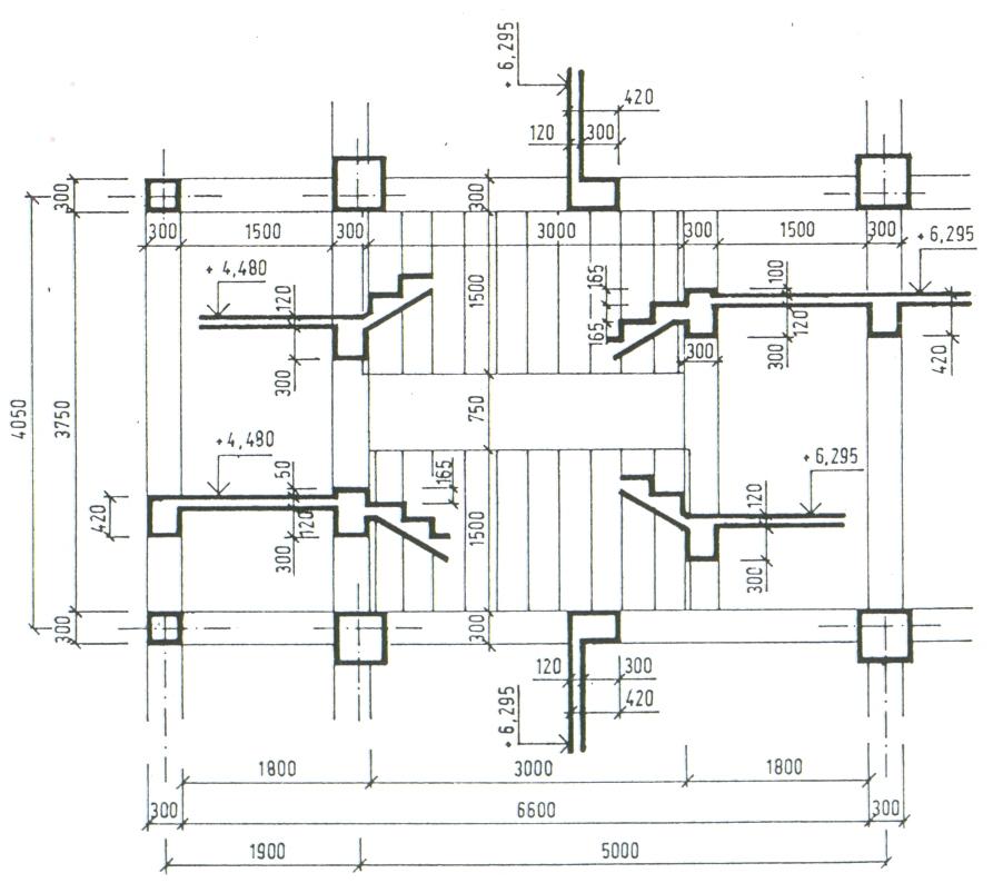
Půdorys tvaru monolitického schodiště dle ČSN 01 3481 z 14.9.1987

 

 

Výpočet základových patek

Výpočet EXCEL

    

Obrázek